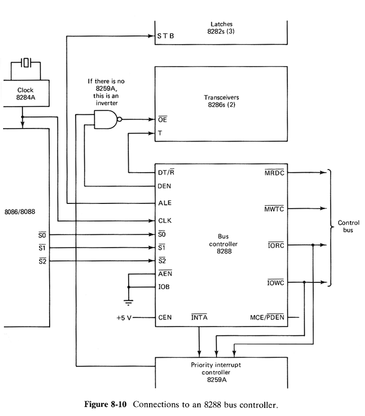
An expanded view of a maximum mode system which shows
only the connections to an 8288 is given in Fig.8-10.
/INTA- Issues the two interrupt acknowledgment pulses to
a priority interrupt controller or an interrupting device
when /S0=/S1=/S2=0.
/IORC (I/O Read Command)- Instructs an I/O
interface to put the data contained in the address port on the
data bus.
/IOWC (I/O Write Command)- Instructs an I/O
interface to accept the data on the data bus and put
the data into the addressed port.
/MRDC (Memory Read Command)- Instructs the memory
to put the contentsof the addressed location on the data
bus.
/MWTC (Memory Write Command)- Instructs the memory
to accept the data on the data bus and put the data into
the addressed memory location.
Not shown in Fig.8-10 are the /AIOWC (advanced I/O write command) and /AMWC (advanced memory write command) pins. They serve the same purposes as the /IOWC and /MWTC pins except that they are activated one clock puls sooner. This gives slow interfaces an extra clock cycle to prepare to input the data.
| PRETHODNA FOLIJA | SADRZAJ | SLEDECA FOLIJA |