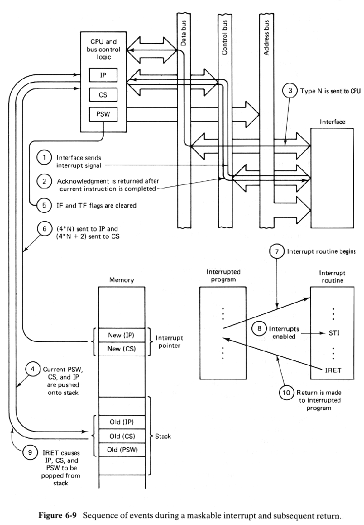
An interrupt on the INTR pin is masked by the IF flag so that this flag
is 0 the interrupt is not recognized until IF returns to 1. When IF=1 and a
maskable external interrupt occures, the CPU will return an acknowledgment
signal to the device interface through its /INTA pin and initiate the
interrupt sequence. The acknowledgment signal will cause the interface that
sent the interrupt signal to send to the CPU (over the data bus) the byte
which specifies the type and hence the address of the interrupt pointer. The
pointer, in turn, supplies the beginning address of the interrupt routine.
| PRETHODNA FOLIJA | SADRZAJ | SLEDECA FOLIJA |