Although the above paragraphs have been concerned with the communication
between an 8-bit interface and a 16-bit data bus, some attention should
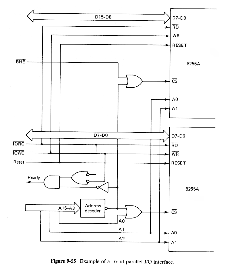
be given to the design of a 16-bit interface.Such an interface would
transfer entire words to and from the data bus and would tend to double
the utilization of the availablebus cycles.A 16-bit interface design
based on two 8255As is given in Fig.9-55.
The A2 and A1 lines in the address bus are connected to the A1 and A0
pins of both 825As: thus the 16-bit ports are formed from the pairs of
ports A,B,C and the control/status registers.
The lower 8255A occupies 4 consecutive even addresses and the upper 8255A
occupies 4 consecutive odd addresses.If bits A15-A3 match the address
designed into the address decoder, then the decoder will emit a 0 chip
select signal.
For the lower 8255A, if both the chip select and A0 signals are 0, then
a 0 is applied to \CS.For the upper 8255A, both the chip select and \BHE
signals must be 0 in order for a 0 to be sent to the \CS.(Therefore, it
is possible to address the 8255As individually.).The read,write and reset
control lines are connected to the \RD,\WR and RESET pins of both of the
8255As and a ready signal is returned if either \CS signal is active.
One other alternative in interface design is to treat registers of an
I/O device as memory locations.
| PRETHODNA FOLIJA | SADRZAJ | SLEDECA FOLIJA |