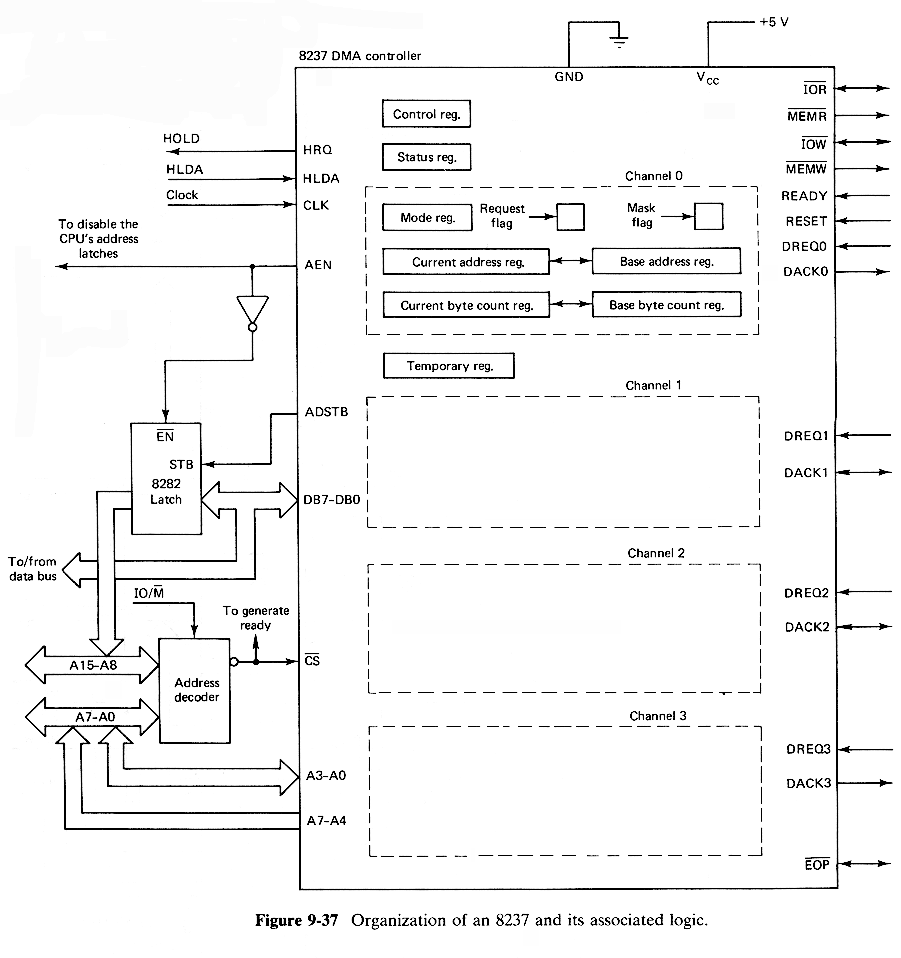
9-5 DMA CONTROLLERS

As discussed in Chap. 6, a DMA controller is capable of becoming the bus master and supervising a transfer between an I/O or mass storage interface and memory.

PRETHODNA FOLIJA SADRZAJ SLEDECA FOLIJA